必发7790电子集团(中国)有限公司
防爆箱订购热线:
15057512139
首页
关于我们
新闻中心
公司新闻
防爆资讯
防爆箱百科
防爆箱图片
防爆箱
新品推荐
防爆箱证书
客户服务
服务承诺
营销网络
国内网点
国外贸易
人力资源
人才理念
招聘信息
视频中心
联系我们
上一张
下一张
●
●
●
当前位置:
首页
>
新闻资讯
>
防爆箱技术
新闻资讯
公司新闻
防爆资讯
防爆箱百科
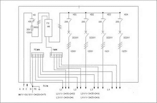
一级二级配电箱接线图解及家庭布线图
发布时间:2018-07-18 浏览次数:1286
一级配电箱接线图
二级配电箱接线图
家庭配电箱接线图
新一篇:
三相五线制配电箱标准接法图解
旧一篇:
380v配电箱怎么接线介绍及图解
返回顶部
15057512139
在线咨询
微信二维码